Product Summary
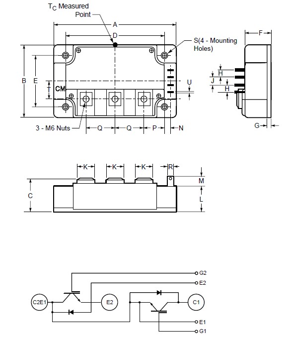
The CM200DU-24H is a 200 amperes/1200 volts dual IGBT MOD. The Mitsubishi IGBT Module CM200DU-24H is designed for use in switching applications. The CM200DU-24H consists of two IGBTs in a half-bridge configuration with each transistor having a reverse-connected super-fast recovery free-wheel diode. All components and interconnects of the CM200DU-24H are isolated from the heat sinking baseplate, offering simplified system assembly and thermal management.
Parametrics
CM200DU-24H absolute maximum ratings: (1)Voltage - Collector Emitter Breakdown (Max): 1200V; (2)Current - Collector (Ic) (Max): 200A; (3)Power - Max: 1130W; (4)Vce(on) (Max) @ Vge, Ic: 3.7V @ 15V, 200A; (5)Current - Collector Cutoff (Max): 1mA; (6)NTC Thermistor: No; (7)Input Capacitance (Cies) @ Vce: 30nF @ 10V; (8)Mounting Type: Chassis Mount.
Features
CM200DU-24H features: (1)Low Drive Power; (2)Low VCE(sat); (3)Discrete Super-Fast Recovery; (4)Free-Wheel Diode; (5)High Frequency Operation; (6)Isolated Baseplate for Easy Heat Sinking.
Diagrams

| Image | Part No | Mfg | Description | ![]() |
Pricing (USD) |
Quantity | ||||||||||||
|---|---|---|---|---|---|---|---|---|---|---|---|---|---|---|---|---|---|---|
![]() |
![]() CM200DU-24H |
![]() |
![]() IGBT MOD DUAL 1200V 200A U SER |
![]() Data Sheet |
![]()
|
|
||||||||||||
| Image | Part No | Mfg | Description | ![]() |
Pricing (USD) |
Quantity | ||||||||||||
![]() |
![]() CM2006 |
![]() Other |
![]() |
![]() Data Sheet |
![]() Negotiable |
|
||||||||||||
![]() |
![]() CM2006-02QR |
![]() ON Semiconductor |
![]() Video ICs VGA Port Monitor |
![]() Data Sheet |
![]()
|
|
||||||||||||
![]() |
![]() CM2009 |
![]() Other |
![]() |
![]() Data Sheet |
![]() Negotiable |
|
||||||||||||
![]() |
![]() CM2009-00QR |
![]() ON Semiconductor |
![]() Video ICs VGA Port Circuit 55 Ohm |
![]() Data Sheet |
![]()
|
|
||||||||||||
![]() |
![]() CM2009-02QR |
![]() ON Semiconductor |
![]() Video ICs VGA Port Circuit 15 Ohm |
![]() Data Sheet |
![]()
|
|
||||||||||||
![]() |
![]() CM200C-32.768KAZF-UT |
![]() Citizen |
![]() Crystals 32.768K 30ppm 12.5pF |
![]() Data Sheet |
![]()
|
|
||||||||||||
(China (Mainland))











