Product Summary
The VHFD37-08 io1 is a Half Controlled Single Phase Rectifier Bridge. The applications of the device are Supply for DC power equipment and DC motor control.
Parametrics
VHFD37-08 io1 absolute maximum ratings: (1)IdAV TH = 85℃, module: 36 A; (2)IdAVM module: 40 A; (3)IFRMS, ITRMS per leg: 31 A; (4)PGAVM: 0.5 W; (5)TVJ: -40 to +125℃; (6)TVJM: 125℃; (7)Tstg: -40 to +125℃.
Features
VHFD37-08 io1 features: (1)Package with DCB ceramic base plate; (2)Isolation voltage 3600 V~; (3)Planar passivated chips; (4)Blocking voltage up to 1600 V; (5)Low forward voltage drop; (6)Leads suitable for PC board soldering; (7)UL registered E 72873.
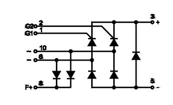
Diagrams

![]() |
![]() VHFD16-12io1 |
![]() Ixys |
![]() SCR Modules 16 Amps 1200V |
![]() Data Sheet |
![]() Negotiable |
|
||||
![]() |
![]() VHFD16-14io1 |
![]() Ixys |
![]() SCR Modules 16 Amps 1400V |
![]() Data Sheet |
![]() Negotiable |
|
||||
![]() |
![]() VHFD16-16io1 |
![]() Ixys |
![]() SCR Modules 16 Amps 1600V |
![]() Data Sheet |
![]() Negotiable |
|
||||
![]() |
![]() VHFD29-08io1 |
![]() Ixys |
![]() SCR Modules 29 Amps 800V |
![]() Data Sheet |
![]() Negotiable |
|
||||
![]() |
![]() VHFD29-12io1 |
![]() Ixys |
![]() SCR Modules 29 Amps 1200V |
![]() Data Sheet |
![]() Negotiable |
|
||||
![]() |
![]() VHFD29-14io1 |
![]() Ixys |
![]() SCR Modules 29 Amps 1400V |
![]() Data Sheet |
![]() Negotiable |
|
||||
(China (Mainland))








