Product Summary
The CM600HA-24H is a Mitsubishi IGBT Module. It consists of one IGBT in a single configuration with a reverse-connected super-fast recovery free-wheel diode. It is suitable for AC Motor Control, Motion/Servo Control, UPS and Welding Power Supplies.
Parametrics
CM600HA-24H absolute maximum ratings: (1)Junction Temperature, Tj: -40 to 150 ℃; (2)Storage Temperature, Tstg: -40 to 125 ℃; (3)Collector-Emitter Voltage (G-E SHORT), VCES: 1200 Volts; (4)Gate-Emitter Voltage (C-E SHORT), VGES: ±20 Volts; (5)Collector Current (Tc = 25℃), IC: 600 Amperes; (6)Peak Collector Current (Tj ≤ 150℃), ICM: 1200 Amperes; (7)Emitter Current (Tc = 25℃), IE: 600 Amperes; (8)Peak Emitter Current, IEM: 1200 Amperes; (9)Maximum Collector Dissipation (Tc = 25℃), Pc: 4100 Watts.
Features
CM600HA-24H features: (1)Low Drive Power; (2)Low VCE(sat); (3)Discrete Super-Fast Recovery Free-Wheel Diode; (4)High Frequency Operation; (5)Isolated Baseplate for Easy Heat Sinking.
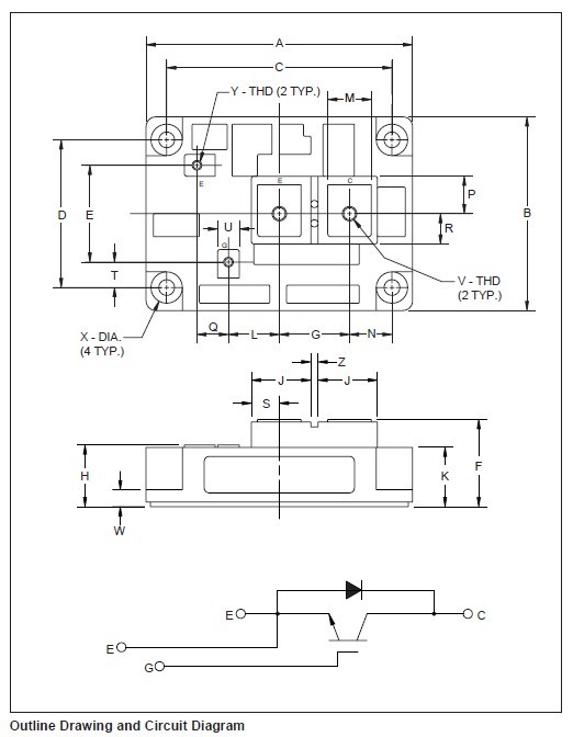
Diagrams

| Image | Part No | Mfg | Description | ![]() |
Pricing (USD) |
Quantity | ||||||||||||||||
|---|---|---|---|---|---|---|---|---|---|---|---|---|---|---|---|---|---|---|---|---|---|---|
![]() |
![]() CM600HA-24H |
![]() |
![]() IGBT MOD SGL 1200V 600A H SER |
![]() Data Sheet |
![]() Negotiable |
|
||||||||||||||||
| Image | Part No | Mfg | Description | ![]() |
Pricing (USD) |
Quantity | ||||||||||||||||
![]() |
![]() CM600DU-24F |
![]() |
![]() IGBT MOD DUAL 1200V 600A F SER |
![]() Data Sheet |
![]()
|
|
||||||||||||||||
![]() CM600DU-24NF |
![]() |
![]() IGBT MOD DUAL 1200V 600A NF SER |
![]() Data Sheet |
![]()
|
|
|||||||||||||||||
![]() |
![]() CM600DU-24NFH |
![]() |
![]() IGBT MOD DUAL 1200V 600A NFH SER |
![]() Data Sheet |
![]()
|
|
||||||||||||||||
![]() |
![]() CM600DU-5F |
![]() |
![]() IGBT MOD DUAL 250V 600A F SER |
![]() Data Sheet |
![]()
|
|
||||||||||||||||
![]() CM600DY-12NF |
![]() |
![]() IGBT MOD DUAL 600V 600A NF SER |
![]() Data Sheet |
![]()
|
|
|||||||||||||||||
![]() CM600DY-24A |
![]() |
![]() IGBT MOD DUAL 1200V 600A A SER |
![]() Data Sheet |
![]()
|
|
|||||||||||||||||
(China (Mainland))









